
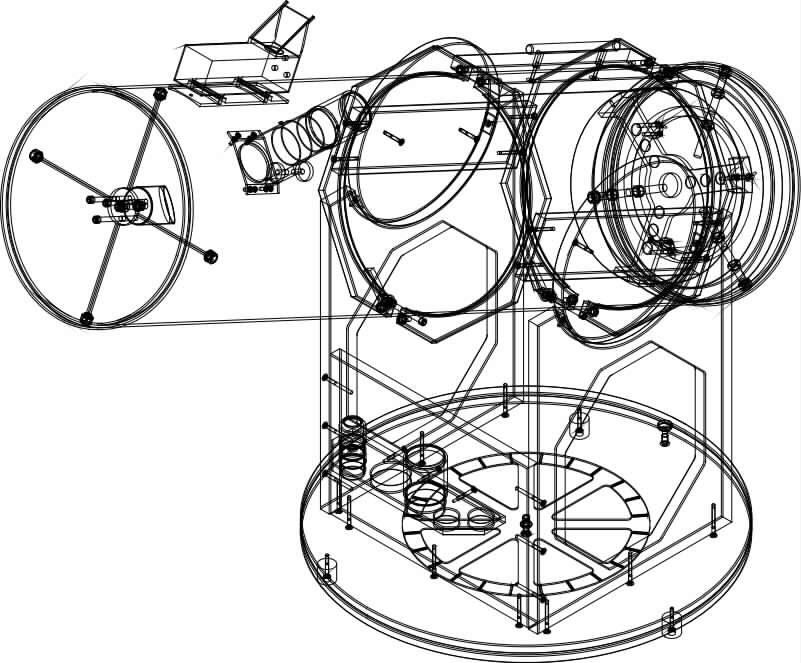
This line image shows virtually every component and piece of hardware in our 10" telescope. It is actually possible to build the kit using nothing but this drawing.
Click here for a full size vector version (Computer Graphics Metafile). Note that you'll need a graphics program capable of viewing vector images such as Deneba Canvas or Adobe Illustrator.
(223 Kb)